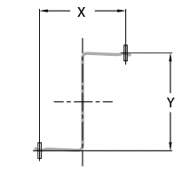
基板上にアンカーを配置し、Z形状のクリップを使いヒートシンクを固定する方法です。アルファでは複数の規格クリップ・アンカーを取り揃えており、基板厚み・チップ高さ等、
お客様の状況に応じて適切な荷重・圧力を加えることが可能です。
EZクリップ
Zクリップ
アンカー
ハンダ付け不要タイプ
アンカー
ハンダ付けタイプ
取付けイメージ
EZクリップ、Zクリップの2種類を取り扱っています。適切なアンカー位置は、熱源の高さ 、ヒートシンクのベース厚やフィン間のギャップ等、諸条件によって異なる為、実装にて確認されることを推奨します。
EZクリップ
クリップ取付が容易です。取付時におけるヒートシンクのスライド量をゼロ、もしくは最小限に抑えることが出来る為、 熱源や サーマルインターフェース へのダメージを軽減できます。
Zクリップ
従来型のZクリップ。
取付時にヒートシンクをスライドさせる必要があります。
| 規格 |
アンカーピッチ X x Y (mm) |
ダウンロード | 納期 / 見積 / 購入 | ||
|---|---|---|---|---|---|
| データシート | その他 | ||||
|
EZクリップ
|
30 x 15 | ![]() |
|
|
|
| 40 x 25 | ![]() |
||||
| 50 x 35 | ![]() |
||||
| 60 x 45 | ![]() |
||||
| 70 x 55 | ![]() |
||||
|
30 x 15 | ![]() |
|||
| 40 x 25 | ![]() |
||||
| 50 x 35 | ![]() |
||||
| 60 x 45 | ![]() |
||||
| 70 x 55 | ![]() |
||||
| 規格 | アンカーピッチ X x Y (mm) |
ダウンロード | 納期 / 見積 / 購入 | ||
|---|---|---|---|---|---|
| データシート | その他 | ||||
|
Zクリップ
|
35.5 x 48.2 | ![]() |
|
|
|
| 44.9 x 53.5 | ![]() |
||||
| 48.2 x 60.9 | ![]() |
||||
| 55.8 x 60.9 | ![]() |
||||
| 47.5 x 76.2 | ![]() |
||||
|
35.5 x 48.2 | ![]() |
|||
| 44.9 x 53.5 | ![]() |
||||
| 48.2 x 60.9 | ![]() |
||||
| 55.8 x 60.9 | ![]() |
||||
| 47.5 x 76.2 | ![]() |
||||
ハンダ付け不要タイプ、ハンダ付けタイプの2種類を取り扱っています。
アンカーを選択する際は、クリップの荷重を参照し、適切な荷重がかかることをご確認下さい。
V (Vertical) タイプ
風向
H (Horizontal) タイプ
風向
クリップと弊社規格のヒートシンクとの組み合わせに関しては、下の「標準ヒートシンクとの対応表」
を参考に取り付けの可否をご確認下さい。
表中の記号の意味
| 記号 | 意味 |
|---|---|
| OK | ヒートシンク中心での固定が可能です。 |
| △ |
ヒートシンクの中心でなければ固定は可能です。
V 方向時には中心から大きくずれるためお勧めできません。 |
| 空欄 | ご指定のヒートシンクは Z 形状クリップでの取り付けは不可です。 |
| ** | はんだ付タイプのアンカーを使用する際にアンカーとヒートシンクが干渉しないか確認する必要があります。 |
ヒートシンクの名前をクリックすると各製品の仕様・性能データを参照できます。
| EZクリップ | Zクリップ | |||||||||||||||||||
|---|---|---|---|---|---|---|---|---|---|---|---|---|---|---|---|---|---|---|---|---|
|
EZR-30x15 EZL-30x15 |
EZR-40x25 EZL-40x25 |
EZR-50x35 EZL-50x35 |
EZR-60x45 EZL-60x45 |
EZR-70x55 EZL-70x55 |
35.5x48.2 35.5Rx48.2 |
44.9x53.5 44.9Rx53.5 |
48.2x60.9 48.2Rx60.9 |
55.8x60.9 55.8Rx60.9 |
47.5x76.2 47.5Rx76.2 |
|||||||||||
| V | H | V | H | V | H | V | H | V | H | V | H | V | H | V | H | V | H | V | H | |
| LPD15 | OK | OK | OK | OK | OK | OK | OK | OK | OK | OK | OK | OK | OK | OK | OK | OK | OK | OK | OK | OK |
| LPD17 | OK | OK | OK | OK | OK | OK | OK | OK | OK | OK | OK | OK | OK | OK | OK | OK | OK | OK | OK | OK |
| LPD19 | OK | △ | OK | △ | △ | △ | △ | △ | △ | △ | △ | △ | ||||||||
| LPD22 | OK | OK | OK | OK | OK | OK | OK | OK | OK | OK | OK | OK | OK | OK | OK | OK | OK | OK | ||
| LPD25 | △ | △ | △ | △ | △ | △ | △ | △ | △ | |||||||||||
| LPD28 | OK | △ | OK | △ | OK | △ | OK | △ | OK | △ | OK | △ | OK | △ | OK | △ | OK | △ | ||
| LPD30 | OK | OK | OK | OK | OK | OK | OK | OK | OK | |||||||||||
| LPD32 | OK | OK | OK | OK | OK | OK | OK | OK | OK | OK | OK | OK | OK | OK | OK | OK | ||||
| LPD35 | △ | △ | △ | △ | △ | △ | △ | △ | ||||||||||||
| LPD38 | OK | OK | OK | OK | OK | OK | OK | OK | OK | OK | OK | OK | OK | OK | OK | OK | ||||
| LPD40 | OK | OK | OK | OK | OK | OK | OK | OK | ||||||||||||
| LPD42 | OK | OK | OK | OK | OK | OK | OK | OK | OK | OK | OK | OK | OK | OK | OK | OK | ||||
| LPD45 | OK | △ | OK | △ | OK | △ | OK | △ | OK | △ | OK | △ | ||||||||
| LPD50 | OK | OK | OK | OK | OK | |||||||||||||||
| LPD52 | OK | OK | OK | OK | OK | OK | OK | OK | OK | OK | ||||||||||
| LPD54 | △ | △ | ||||||||||||||||||
| LPD60 | OK | OK | OK | OK | ||||||||||||||||
| LPD2030 | OK | △ | OK | △ | OK | △ | OK | △ | OK | △ | OK | △ | OK | △ | OK | △ | OK | △ | ||
| LPD2040 | OK | △ | OK | △ | OK | △ | OK | △ | OK | △ | OK | △ | OK | △ | OK | △ | ||||
| LPD3020 | OK | OK | OK | OK | OK | OK | OK | OK | OK | OK | OK | OK | OK | OK | OK | OK | OK | OK | OK | |
| LPD3040 | OK | OK | OK | OK | OK | OK | OK | OK | OK | OK | OK | OK | OK | OK | OK | OK | ||||
| LPD3550 | OK | △ | OK | △ | OK | OK | OK | △ | OK | △ | OK | △ | ||||||||
| LPD4020 | OK | OK | OK | OK | OK | OK | OK | OK | OK | OK | OK | OK | OK | OK | OK | OK | OK | OK | OK | |
| LPD4030 | OK | OK | OK | OK | OK | OK | OK | OK | OK | OK | OK | OK | OK | OK | OK | OK | OK | |||
| LPD4060 | OK | OK | OK | OK | OK | OK | OK | |||||||||||||
| LPD5035 | OK | OK | OK | OK | OK | OK | OK | OK | OK | OK | OK | OK | ||||||||
| LPD5070 | OK | OK | ||||||||||||||||||
| LPD6040 | OK | OK | OK | OK | OK | OK | OK | |||||||||||||
| LPD7050 | OK | OK | ||||||||||||||||||
| MD30 | OK | OK | OK | OK | OK | OK | OK | OK | OK | |||||||||||
| MD35 | △ | △ | △ | △ | △ | △ | △ | △ | ||||||||||||
| MD40 | OK | OK | OK | OK | OK | OK | OK | OK | ||||||||||||
| MD45 | OK | △ | OK | △ | OK | △ | OK | △ | OK | △ | OK | △ | ||||||||
| MD50 | △ | △ | △ | △ | △ | |||||||||||||||
| MD54 | OK | OK | ||||||||||||||||||
| MD60 | OK | △** | OK | △ | ||||||||||||||||
| MD4050 | OK | OK | OK | OK | OK | OK | OK | OK | OK | OK | OK | OK | OK | |||||||
| ULP50 | OK | OK | OK | OK | OK | OK | OK | OK | OK | OK | ||||||||||
| ULP60 | OK | OK | OK | OK | ||||||||||||||||
| W15 | OK | △ | OK | △ | △ | △ | △ | △ | △ | △ | △ | △ | ||||||||
| W30 | OK | OK | OK | OK | OK | OK | OK | OK | OK | |||||||||||
| W35 | OK | OK | OK | OK | OK | OK | OK | OK | ||||||||||||
| W40 | OK | OK | OK | OK | OK | OK | OK | OK | OK | OK | OK | OK | OK | OK | OK | OK | ||||
| W45 | OK | OK | OK | OK | OK | OK | OK | OK | OK | OK | OK | OK | ||||||||
| W48 | OK | △ | OK | △ | OK | △ | OK | △ | OK | △ | ||||||||||
| W54 | △ | △ | ||||||||||||||||||
| W60 | △** | △ | ||||||||||||||||||
| TL19 | OK | OK | OK | OK | OK | OK | OK | OK | OK | OK | ||||||||||
| TL25 | OK | OK | OK | OK | OK | OK | OK | OK | OK | |||||||||||
| TL30 | OK | OK | OK | OK | OK | OK | OK | OK | OK | |||||||||||
| TL35 | OK | OK | OK | OK | OK | OK | OK | OK | ||||||||||||
| TL40 | △ | △ | △ | △ | △ | △ | △ | △ | ||||||||||||
| EZクリップ | Zクリップ | |||||||||||||||||||
| EZR-30x15 EZL-30x15 |
EZR-40x25 EZL-40x25 |
EZR-50x35 EZL-50x35 |
EZR-60x45 EZL-60x45 |
EZR-70x55 EZL-70x55 |
35.5x48.2 35.5Rx48.2 |
44.9x53.5 44.9Rx53.5 |
48.2x60.9 48.2Rx60.9 |
55.8x60.9 55.8Rx60.9 |
47.5x76.2 47.5Rx76.2 |
|||||||||||
| V | H | V | H | V | H | V | H | V | H | V | H | V | H | V | H | V | H | V | H | |
| UB シリーズ | フィンの向きに対して垂直、平行、どちらの方向でもヒートシンクの中心でクリップ使用できる UBZ シリーズ もございます。 | |||||||||||||||||||
| UB10 | OK | OK | OK | OK | OK | OK | OK | OK | OK | OK | ||||||||||
| UB15 | OK | △ | OK | △ | OK | △ | OK | △ | OK | △ | OK | △ | OK | △ | OK | △ | OK | △ | OK | △ |
| UB17 | OK | OK | OK | OK | OK | OK | OK | OK | OK | OK | OK | OK | OK | OK | OK | OK | OK | OK | OK | OK |
| UB19 | OK | △ | OK | △ | △ | △ | △ | △ | △ | △ | △ | △ | ||||||||
| UB22 | OK | OK | OK | OK | OK | OK | OK | OK | OK | OK | OK | OK | OK | OK | OK | OK | OK | OK | ||
| UB25 | OK | OK | OK | OK | OK | OK | OK | OK | OK | OK | ||||||||||
| UB28 | OK | OK | OK | OK | OK | OK | OK | OK | OK | OK | OK | OK | OK | OK | OK | OK | OK | OK | ||
| UB30 | OK | OK | OK | OK | OK | OK | OK | OK | OK | |||||||||||
| UB32 | OK | △ | OK | △ | OK | △ | OK | △ | OK | △ | OK | △ | OK | △ | OK | △ | ||||
| UB35 | OK | OK | OK | OK | OK | OK | OK | OK | ||||||||||||
| UB38 | OK | OK | OK | OK | OK | OK | OK | OK | OK | OK | OK | OK | OK | OK | OK | OK | ||||
| UB40 | △ | △ | △ | △ | △ | △ | △ | △ | ||||||||||||
| UB42 | OK | OK | OK | OK | OK | OK | OK | OK | OK | OK | OK | OK | OK | OK | OK | OK | ||||
| UB45 | △ | △ | △ | △ | △ | △ | ||||||||||||||
| UB48 | OK | OK | OK | OK | OK | |||||||||||||||
| UB50 | △ | △ | △ | △ | △ | |||||||||||||||
| UB52 | OK | OK | OK | OK | OK | OK | OK | OK | OK | OK | ||||||||||
| UB54 | △ | △ | ||||||||||||||||||
| UB60 | △** | △ | ||||||||||||||||||
| UB2010 | △ | △ | △ | △ | △ | △ | △ | △ | △ | △ | ||||||||||
| UB2030 | OK | △ | OK | △ | OK | △ | OK | △ | OK | △ | OK | △ | OK | △ | OK | △ | OK | △ | ||
| UB2035 | OK | △ | OK | △ | OK | △ | OK | △ | OK | △ | OK | △ | OK | △ | OK | △ | ||||
| UB2040 | OK | △ | OK | △ | OK | △ | OK | △ | OK | △ | OK | △ | OK | △ | OK | △ | ||||
| UB3020 | OK | OK | OK | OK | OK | OK | OK | OK | OK | OK | OK | OK | OK | OK | OK | OK | OK | OK | ||
| UB3040 | OK | OK | OK | OK | OK | OK | OK | OK | OK | OK | OK | OK | OK | OK | OK | OK | ||||
| UB3550 | OK | OK | OK | OK | OK | OK | OK | OK | OK | OK | OK | OK | OK | |||||||
| UB4020 | OK | OK | OK | OK | OK | OK | OK | OK | OK | OK | OK | OK | OK | OK | OK | OK | ||||
| UB4030 | OK | OK | OK | OK | OK | OK | OK | OK | OK | OK | OK | OK | OK | OK | OK | OK | ||||
| UB4060 | OK | OK | OK | OK | OK | OK | OK | |||||||||||||
| UB5035 | OK | OK | △ | OK | △ | △ | OK | △ | OK | △ | OK | △ | OK | △ | ||||||
| UB5070 | OK | OK | ||||||||||||||||||
| UB6040 | OK | OK | OK | OK | OK | OK | OK | |||||||||||||
| UB7050 | OK | OK | ||||||||||||||||||
| UB6080 | OK | |||||||||||||||||||
| UB8060 | OK | |||||||||||||||||||
| UB6090 | △ | |||||||||||||||||||
| UBC60 | △** | △ | ||||||||||||||||||
| UBZ40 | OK | OK | OK | OK | OK | OK | OK | OK | OK | OK | OK | OK | OK | OK | OK | OK | ||||
| UBZ45 | OK | OK | OK | OK | OK | OK | OK | OK | OK | OK | OK | OK | ||||||||
| UBZ50 | OK | OK | OK | OK | OK | OK | OK | OK | OK | OK | ||||||||||
| UBZ54 | OK | OK | OK | OK | ||||||||||||||||
| UBZ60 | OK | OK | OK | OK | ||||||||||||||||
| Z シリーズ | フィンギャップが狭すぎるため取付できません(Z19を除く)。フィンレイアウトを調整した ZZ シリーズを検討願います。 | |||||||||||||||||||
| Z19 | OK | OK | ||||||||||||||||||
| ZZ40 | OK | OK | OK | OK | OK | OK | OK | OK | OK | OK | OK | OK | OK | OK | OK | OK | ||||
| ZZ45 | OK | OK | OK | OK | OK | OK | OK | OK | OK | OK | OK | OK | ||||||||
| ZZ50 | OK | OK | OK | OK | OK | OK | OK | OK | OK | OK | ||||||||||
| ZZ54 | OK | OK | OK | OK | ||||||||||||||||
| ZZ60 | OK | OK | OK | OK | ||||||||||||||||
| T シリーズ | T シリーズには取り付けできません。 | |||||||||||||||||||
| N19 | △ | △ | △ | △ | △ | △ | △ | △ | △ | △ | △ | △ | △ | △ | △ | △ | △ | △ | △ | △ |
| N25 | △ | △ | △ | △ | △ | △ | △ | △ | △ | △ | △ | △ | △ | △ | △ | △ | △ | △ | ||
| N30 | △ | △ | △ | △ | △ | △ | △ | △ | △ | △ | △ | △ | △ | △ | △ | △ | △ | △ | ||
| N35 | △ | △ | △ | △ | △ | △ | △ | △ | △ | △ | △ | △ | △ | △ | △ | △ | ||||
| N40 | △** | △** | △ | △ | △ | △ | △ | △ | △ | △ | △ | △ | △ | △ | △ | △ | ||||
| N45 | △ | △ | △ | △ | △ | △ | △ | △ | △ | △ | △ | △ | ||||||||
| N50 | △** | △** | △ | △ | △ | △ | △ | △ | △ | △ | ||||||||||
| N54 | △ | △ | △ | △ | ||||||||||||||||
| N60 | △** | △** | △ | △ | ||||||||||||||||
| CS40 | OK | OK | OK | OK | OK | OK | OK | OK | OK | OK | OK | OK | OK | OK | OK | OK | ||||
| CS45 | OK | OK | OK | OK | OK | OK | OK | OK | OK | OK | OK | OK | ||||||||
| S1510 | △ | △ | △ | △ | △ | △ | △ | △ | △ | △ | △ | △ | △ | △ | △ | △ | △ | △ | △ | △ |
| S1515 | OK | OK | OK | OK | OK | OK | OK | OK | OK | OK | OK | OK | OK | OK | OK | OK | OK | OK | OK | OK |
| S1519 | △ | △ | △ | △ | △ | △ | △ | △ | △ | △ | △ | △ | △ | △ | △ | △ | △ | △ | △ | △ |
| S1525 | △ | △ | △ | △ | △ | △ | △ | △ | △ | △ | △ | △ | △ | △ | △ | △ | △ | △ | ||
| S1530 | OK | OK | OK | OK | OK | OK | OK | OK | OK | OK | OK | OK | OK | OK | OK | OK | OK | OK | ||
| S1535 | △ | △ | △ | △ | △ | △ | △ | △ | △ | △ | △ | △ | △ | △ | △ | △ | ||||
| S1540 | △** | △** | △ | △ | △ | △ | △ | △ | △ | △ | △ | △ | △ | △ | △ | △ | ||||
| S1545 | △ | △ | △ | △ | △ | △ | △ | △ | △ | △ | △ | △ | ||||||||
| S1550 | OK | OK | OK | OK | OK | OK | OK | OK | OK | OK | ||||||||||
| S1555 | △ | △ | △ | △ | ||||||||||||||||
| S1560 | OK | OK | OK | OK | ||||||||||||||||
| ST15 | △ | △ | △ | △ | ||||||||||||||||
| ST19 | △ | △ | △ | △ | ||||||||||||||||
| ST25 | △ | △ | ||||||||||||||||||
| ST30 | △ | △ | ||||||||||||||||||
| ST35 | ||||||||||||||||||||
| ST40 | ||||||||||||||||||||
| ST60 | ||||||||||||||||||||
| V | H | V | H | V | H | V | H | V | H | V | H | V | H | V | H | V | H | V | H | |
| EZR-30x15 EZL-30x15 |
EZR-40x25 EZL-40x25 |
EZR-50x35 EZL-50x35 |
EZR-60x45 EZL-60x45 |
EZR-70x55 EZL-70x55 |
35.5x48.2 35.5Rx48.2 |
44.9x53.5 44.9Rx53.5 |
48.2x60.9 48.2Rx60.9 |
55.8x60.9 55.8Rx60.9 |
47.5x76.2 47.5Rx76.2 |
|||||||||||
| EZクリップ | Zクリップ | |||||||||||||||||||
クリップでヒートシンクを固定した際に熱源に掛かる荷重は、下のクリップ荷重表・荷重計算ツールより求めることが出来ます。なお、アンカー寸法、熱源高さ、基板厚さ の公差等もございますので、数値は参考値としてお考え下さい。
①. グラフ下に示す式から、グラフの横軸の数値(T)を求めます。ご使用になるクリップ、アンカー、熱源高さ、ヒートシンクベース厚 及び 基板厚さ の情報が必要です。
②. ①で求めた数値(T)と、ご指定のクリップの性能直線の交点から、取付け時のクリップの荷重(縦軸)を求めることが出来ます。