Online Catalog

FS80

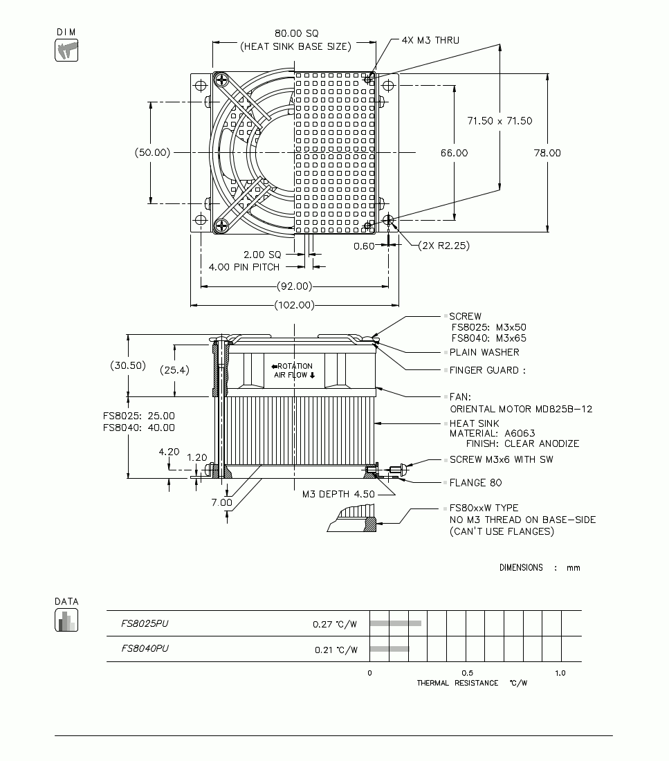
FS80 SPECIFICATION & THERMAL DATA
規格名称 :
FS80
{{boxModelName.HSHEIGHT}}
{{boxModelName.OPTION}}
catalog 3D CAD RoHS REACH
Step 1: ヒートシンク(全高)を選択
Step 2: オプションを選択
ヒートシンク(全高)
オプション
記号 サイドタップ

サイドタップの有無について

標準の取付フランジを使用しない場合、 ヒートシンクベースのサイドタップ無しのオプションを選択してください。

No Sidetap

サイドタップ無し

With Sidetap

サイドタップ有り

閉じる

取付金具
(取付ネジ含む)
ファン取付ネジ
(ワッシャー含む)
ファン フィンガー
ガード
重量
(g)
ダウンロード 追加工
無し 無し 無し 無し 無し {{setModelWeight.weight_W}}
追加工指定
最小発注数:1個
標準納期:7-10日
※更に特急対応いたします
有り 無し 無し 無し 無し {{setModelWeight.weight_A}}
有り FLANGE80 {{setModelAccessoryName.screw}} 無し 無し {{setModelWeight.weight_PF}} 無し
有り FLANGE80 {{setModelAccessoryName.screw}} M80A FG80 {{setModelWeight.weight_PU}}
製品は出荷時に組み立てされておりません。
FS80 Data
  • TESTING SPECIFICATIONS DUMMY HEATER SIZE: 70 SQ
  • BASED ON ALPHA'S STANDARD TEST PROCEDURE. REFER TO TECHNICAL INFORMATION.
サイトマップ | お問合せ | © 2012 Alpha Company Ltd.