Online Catalog

DCC2359L

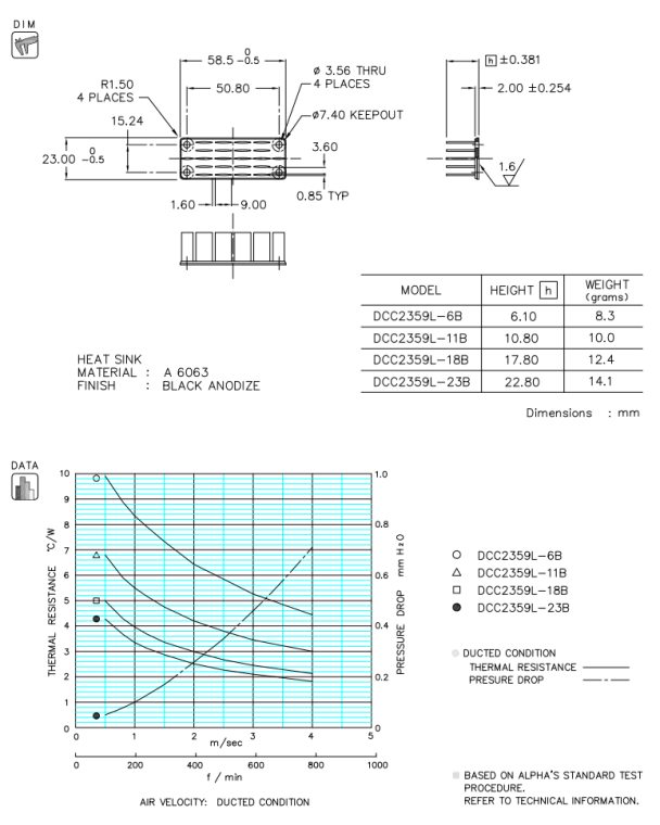
DCC2359L SPECIFICATION & THERMAL DATA
規格名称 :
DCC2359L-
{{boxModelName.HSHEIGHT}}
B
-
{{boxModelName.TIM}}
catalog 3D CAD RoHS REACH
Step 1: ヒートシンク全高を選択
Step 2: サーマルインターフェースを選択
ヒートシンク (全高 h)
サーマルインターフェース
TPCM5125-EB
注意事項

サーマルインターフェースは、貼り付けしての納入となりますが、セパレータを剥がす際 シートが一緒に剥がれてしまうことがあります。 これはシートの特性上発生する可能性があり、貼り付けしての納入はお客様の利便性を考慮した「仮貼り付け」という位置づけでのサービスとなります。 剥がれの現象については以下の資料(項目:4)を参考に、使用前に再加圧することを推奨致します。
貼り付け納入についてはこちらをご了承頂いた上のでご利用をお願い申し上げます。

保管および使用時注意事項

TPCM5125-EB SPEC

PDF

TPCM7125-EB   TPCM7125-EB SPEC

PDF

T-PLI210-EB   T-PLI210-EB SPEC

PDF

{{alertMsg}}
Specification
サイトマップ | お問合せ | © 2012 Alpha Company Ltd.