技術情報

ポカよけ

ヒートシンクの取り付けに配慮した設計について
はじめに

ヒートシンクの設計時に、基板への取り付けに配慮した設計をする事で、 ヒートシンクの取り付けに方向の間違いを未然に防いだり(ポカよけ)、 間違いが起きにくいよう注意を促す事が出来ます。
下記にいくつかの設計例を紹介します。これらの設計を盛り込むことをご希望される場合は、 アルファ営業部 にお問合せください。

設計例
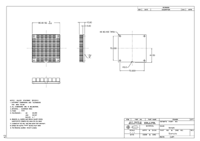
穴位置を非対称に配置 Asymmetrical mounting holes

ヒートシンク取り付け用穴位置を非対称に配置する事で、取り付け方向の間違いを防ぎます。
基板の穴位置を調整可能な場合には、非常に有効な選択肢です。

特長

  • コスト : 低コスト
  • 効果 : 大

切欠きをベース側面に追加 Orientation Notch

ヒートシンクのベース側面に切欠きを追加する事で、取り付け作業者に視覚的に訴えます。 また、より効果を高めるために、基板上に切欠き形状と同じ境界線を印刷する事をお勧めします。 基板の穴位置を変更できない時にも利用可能で、かつ安価な選択肢です。

特長

  • コスト : 低コスト

位置決めピンの使用 Orientation Notch

ヒートシンクのベース面に埋め込まれた位置決めピンと、基板の位置決め用の穴を一致させる事で、 取り付け方向の間違いを防ぎます。基板の穴位置を変更できない時にも有効な選択肢となりますが、 比較的高価で、基板へのピン用穴加工も必要となります。

特長

  • コスト : 比較的高価
  • 効果 : 大
サイトマップ | お問合せ | © 2014-2022 Alpha Company Ltd.