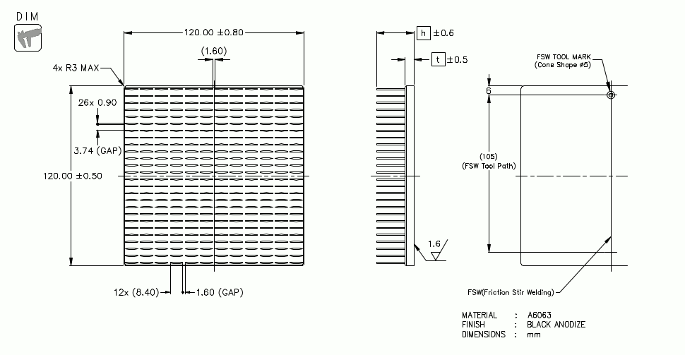
| 規格名 | 全高 h (mm) |
ベース厚 t (mm) |
重量 (g) |
ダウンロード | 納期 / 見積 / 購入 | オプション | ||
|---|---|---|---|---|---|---|---|---|
| 8 | 4.0 | 174.7 |
|
STEP | IGES |
|
|
|
| 10 | 184.6 | STEP | IGES | |||||
| 12 | 5.0 | 228.3 | STEP | IGES | ||||
| 15 | 6.0 | 277.0 | STEP | IGES | ||||
| 20 | 301.8 | STEP | IGES | |||||
| 25 | 326.7 | STEP | IGES | |||||
| 30 | 351.6 | STEP | IGES | |||||
| 35 | 376.5 | STEP | IGES | |||||
| 40 | 401.4 | STEP | IGES | |||||
|
上記以外の
全高を選択 {{ITEMNAME}}
|
---
{{baseT_heightchange}}
|
{{weight_heightchange}}
|
||||||