技術情報

ヒートシンクアプリケーション例

ヒートシンクアプリケーション例
Introduction

弊社では、多様な規格品を追加工し、お客様の仕様に応じたカスタム製品を、少量・短納期で製作しています。 以下に、各種チップ用に設計されたヒートシンクの一部をご紹介致します。

注意: これらの製品は、ボード厚、チップ厚、エアーフロー、アンカー位置などある特定の仕様に基づいた設計 と なっております。詳細を各図面にてご確認願います。 お客様の仕様に合わせて調整が必要な場合、 ”見積り / 問い合わせ”より、お問い合わせください。

Quick & Simple
Custom Heat Sink
技術サポート
短納期
試作から量産まで
Examples
Heat sink for Peltier
Peltier(ペルチェ)
(FS100 Series)
Heat Sink for LED
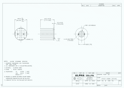
LUXEON STAR LED
(CN40 Based Heat Sink)
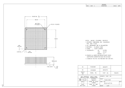
Heat Sink for Xilinx Virtex 5
Xilinx FPGAs
(Virtex 5 FF1738 Heat Sink)
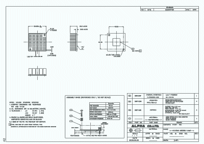
Heat sink for Freescale MPC Processors
Freescale MPC Processors
(MPC8560 Heat Sink)
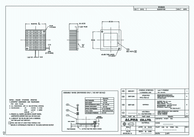
Altera FPGA heat sink
Altera FPGAs
(Stratix 1020 ball Heat Sink)
サイトマップ | お問合せ | © 2008-2022 Alpha Company Ltd.