Technical Information

Design for Installation (Foolproof/Poka-yoke design options)

Design for Installation (Foolproof/Poka-yoke design options)
Introduction

Alpha can help customers to deign heat sink assemblies with Fool-Proof/Poka-Yoke features to help minimize or prevent errors when heat sinks are installed by operators.
These features can prevent heat sink assemblies from being installed in the wrong direction or orientation.
Examples of these features are asymmetrical hole patterns for mounting pins or screws, orientation notches, location pins, as well as other features.
In order to incorporate these features into new designs, please contact Alpha/Alpha Novatech sales for details.

Examples
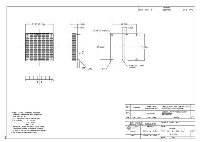
Asymmetrical mounting holes Asymmetrical mounting holes

Asymmetrical hole pattern will prevent the operator from installing the heatsink in the wrong orientation. A very effective option, if the hole layout is open/flexible.

Features

  • Cost : Low
  • Effectiveness : Very good

Orientation Notch Orientation Notch

This notch will act as a visual indicator to the operator. We recommend a corresponding notch pattern to be silkscreened on the PCB surface. A good/inexpensive option, especially if the hole layout is already frozen.

Features

  • Cost : Low
  • Effectiveness : Good

Location Pin Location Pin

A pin installed in the heat sink base will mate with a matching hole in the PCB, preventing the heatsink from being installed incorrectly. A very effective option if the hole layout is already frozen. A relatively expensive option that will require a hole in the PCB for the pin.

Features

  • Cost : High
  • Effectiveness : Very good

Contact | © 2014-2022 Alpha Company Ltd.